MS-8は、A-PRO-4と同じスケーラーを内蔵した、シンプルなスイッチャーです。ここにすべての映像ソースを接続しておけば、あとはボタンひとつで 切り替えるだけ。フォーマットがバラバラの映像ソースであっても、内蔵スケーラーにより、すべてのビジュアルをスマートにコントロールできます。外部音声 入力もステレオ2chを装備。USB端子からは、ライブ中継向けのストリームを出力します。
MS-8 主な仕様
[ 入力端子 ]
SDI IN
端子 | BNC コネクタ x 2 |
---|---|
規格 | SMPTE ST2081 SMPTE ST424 (SMPTE ST425-AB) SMPTE ST292 SMPTE ST259-C |
映像フォーマット | 2048x1080 / 60p / 59.94p / 50p / 48p / 47.95p / 30p / 29.97p / 25p / 24p / 23.98p / 30PsF / 29.97PsF / 25PsF / 24PsF / 23.98PsF (SMPTE ST2048 準拠) 1920x1080 / 60p / 59.94p / 50p / 30p / 29.97p / 25p / 24p / 23.98p / 60i / 59.94i / 50i / 30PsF / 29.97PsF / 25PsF / 24PsF / 23.98PsF (SMPTE ST274 準拠) 1280x720 / 60p / 59.94p / 50p / 30p / 29.97p / 25p / 24p / 23.98p (SMPTE ST296 準拠) 720x480 / 59.94i, 720x576 / 50i (ITU-R BT.656-3 / 5 準拠) |
カラーフォーマット | 10bit YCC4:2:2, 12bit YCC / RGB4:4:4, 10bit YCCA / RGBA4:4:4:4, 12bit YCCA4:2:2:4 |
音声フォーマット | リニア PCM, 24 / 20 ビット, 48kHz, 16ch (SMPTE ST299, SMPTE ST272-C 準拠) |
HDMI IN
端子 | Type A コネクタ x 2 |
---|---|
規格 | HDMI1.4 |
映像フォーマット | 2048x1080 / 6 0 p / 59.9 4p / 50 p / 4 8 p / 47.95p / 3 0 p / 29.97p / 25p / 24p / 23.9 8 p (SMPTE ST2048 タイミング) 1920x1080 / 60p / 59.94p / 50p / 60i / 59.94i / 50i / 30p / 29.97p / 25p / 24p / 23.98p, 1280x720 / 60p / 59.94p / 50p,720x480 / 59.94p, 720x576 / 50p, 720(1440)x480 / 59.94i, 720(1440)x576 / 50i (CEA-861-F 準拠) 640x480 / 60 / 72 / 75 / 85, 800x600 / 56 / 60 / 72 / 75 / 85, 1024x768 / 60 / 70 / 75 / 85, 1152x864 / 75, 1280x768 / 60 / 75 / 85, 1280x800 / 60 / 75 / 85, 1280x960 / 60 / 85, 1280x1024 / 60 / 75 / 85,1360x768 / 60, 1400x1050 / 60 / 75, 1440x900 / 60 / 75 / 85, 1600x1200 / 60, 1680x1050 / 60,1920x1200 / 60 Reduced Blanking (VESA DMT 準拠) |
カラーフォーマット | 10 / 12bit YCC4:2:2, 8 / 10 / 12bit YCC / RGB4:4:4 |
音声フォーマット | リニア PCM, 16 ~24bit, 32 ~48kHz, 2 ~8ch |
RGB COMPONENT IN
端子 | シュリンク D-sub 15 ピン コネクタ x 2 |
---|---|
規格 | VESA VSIS, SMPTE ST274 / ST296, ITU-R BT.1358-1, EBU N10 |
映像フォーマット | 1920x1080 / 60p / 59.94p / 50p / 60i / 59.94i / 50i / 30PsF / 29.97PsF / 25PsF / 24PsF / 23.98PsF (SMPTE ST274 準拠), 1280x720 / 60p / 59.94p / 50p (SMPTE ST296 準拠), 720x480 / 59.94p, 720x576 / 50p (ITU-R BT.1358-1 準拠), 720x480 / 59.94i, 720x576 / 50i (EBU N10 準拠), 640x480 / 60 / 72 / 75 / 85, 800x600 / 56 / 60 / 72 / 75 / 85, 1024x768 / 60 / 70 / 75 / 85, 1152x864 / 75, 1280x768 / 60 / 75 / 85, 1280x800 / 60 / 75 / 85, 1280x960 / 60 / 85, 1280x1024 / 60 / 75 / 85,1360x768 / 60, 1400x1050 / 60 / 75, 1440x900 / 60 / 75 / 85, 1600x1200 / 60, 1680x1050 / 60,1920x1200 / 60 Reduced Blanking (VESA DMT 準拠) |
REF IN
端子 | BNC コネクタ x 1 (VIDEO IN と兼用) |
---|---|
規格 | B.B. (SMPTE ST318), 2 値 (ITU-R BT.1358-1), HD3 値 (SMPTE ST274, ST296) |
映像フォーマット | 1920x1080 / 59.94p / 50p / 59.94i / 50i / (SMPTE ST274 準拠) 1280x720 / 59.94p / 50p (SMPTE ST296 準拠) 720x480 / 59.94p / 720x576 / 50p (ITU-R BT.1358-1 準拠) 720x480 / 59.94i, 720x576 / 50i (SMPTE ST318 準拠) |
VIDEO IN
端子 | BNC コネクタ x 1 |
---|---|
規格 | ITU-R BT.470-6 |
映像フォーマット | NTSC, NTSC-J, PAL |
AUDIO IN
端子 | TRS 標準タイプ ( バランス) x 2 |
---|---|
基準信号レベル | -30 ~+4dBu |
最大入力レベル | +24dBu |
入力インピーダンス | 150k Ω / 600 Ω 切り替え |
[ 出力端子 ]
SDI OUT
端子 | BNC コネクタ x 1 |
---|---|
規格 | SMPTE ST2081 SMPTE ST424 (SMPTE ST425-AB) SMPTE ST292 SMPTE ST259-C |
映像フォーマット | 2048x1080 / 59.94p / 50p / 29.97p / 25p / 24p / 23.98p (SMPTE ST2048 準拠) 1920x1080 / 59.94p / 50p / 29.97p / 25p / 24p / 23.98p / 59.94i / 50i (SMPTE ST274 準拠) 1280x720 / 59.94p / 50p (SMPTE ST296 準拠) 720x480 / 59.94i, 720x576 / 50i (ITU-R BT.656-5 準拠) |
カラーフォーマット | 10bit YCC4:2:2, 12bit YCC / RGB4:4:4 ( 有効 bit は 10bit) |
音声フォーマット | リニア PCM, 24 / 20 ビット, 48kHz, 2ch (SMPTE ST299, SMPTE ST272-C 準拠) |
HDMI OUT
端子 | Type A コネクタ x 1 |
---|---|
規格 | HDMI1.4 |
映像フォーマット | 2048x1080 / 59.94p / 50p / 29.97p / 25p / 24p / 23.98p (SMPTE ST2048 タイミング) 1920x1080 / 59.94p / 50p / 29.97p / 25p / 24p / 23.98p / 59.94i / 50i, 1280x720 / 59.94p / 50p,720x480 / 59.94p,720x576 / 50p, 720(1440)x480 / 59.94i, 720(1440)x576 / 50i (CEA-861-F) |
カラーフォーマット | 10bit YCC4:2:2, 8 / 10bit YCC / RGB4:4:4 |
音声フォーマット | リニア PCM, 24 ビット, 48kHz, 2ch |
USB3.0 OUT
端子 | USB Type B コネクタ |
---|---|
規格 | USB 3.0 Super Speed (SS) / USB 2.0 High Speed (HS) USB Video Class 1.1, USB Audio Class 1.0 |
映像フォーマット | 2048x1080 / 59.94p / 50p / 29.97p / 25p / 24p / 23.98p, |
映像フォーマット(SS 時) | 1920x1080 / 59.94p / 50p / 29.97p / 25p / 24p / 23.98p / 59.94i / 50i, 1280x720 / 59.94p / 50p,720x480 / 59.94p, 720x576 / 50p, 720x480 / 59.94i, 720x576 / 50i |
映像フォーマット(HS 時) | 720x480 / 59.94i, 720x576 / 50i |
カラーフォーマット | 8bit YCC4:2:2 |
音声フォーマット | リニア PCM, 16 ビット, 48kHz, 2ch |
AUDIO OUT
端子 | TRS 標準タイプ ( バランス) x 2 |
---|---|
基準信号レベル | -20 ~+4dBu |
最大出力レベル | +24dBu |
出力負荷インピーダンス | 20k Ω以上 |
[ 信号処理 ]
映像信号処理 | 10bit YCC4:4:4 |
---|---|
音声信号処理 | 24bit 48kHz |
[ 端子 ]
USB2.0 端子 | マイクロ USB Type B コネクタ USB 2.0 High Speed (HS) |
---|---|
LAN 端子 | RJ45(10 / 100 Base-T) |
DC 端子 | 入力電圧 12V ~20V, 消費電力 35W |
[ その他 ]
外形寸法 | 427 ( 幅) x 228 ( 奥行) x 55 ( 高さ) mm |
---|---|
質量 | 2.7kg (AC アダプター、電源コード、ラックマウント用ブラケット、取付ネジを除く) |
動作温度 | +0 ~+40℃ |
同梱品 | AC アダプター、電源コード x 5(日本、北米、イギリス、EU、オーストラリア用) スタートアップマニュアル ラックマウント用ブラケット x 2、取付ネジ x 6 |
※ 0dBu=0.775Vrms
※ 製品の仕様および外観は、改良のため予告なく変更することがあります。
※ 製品の仕様および外観は、改良のため予告なく変更することがあります。
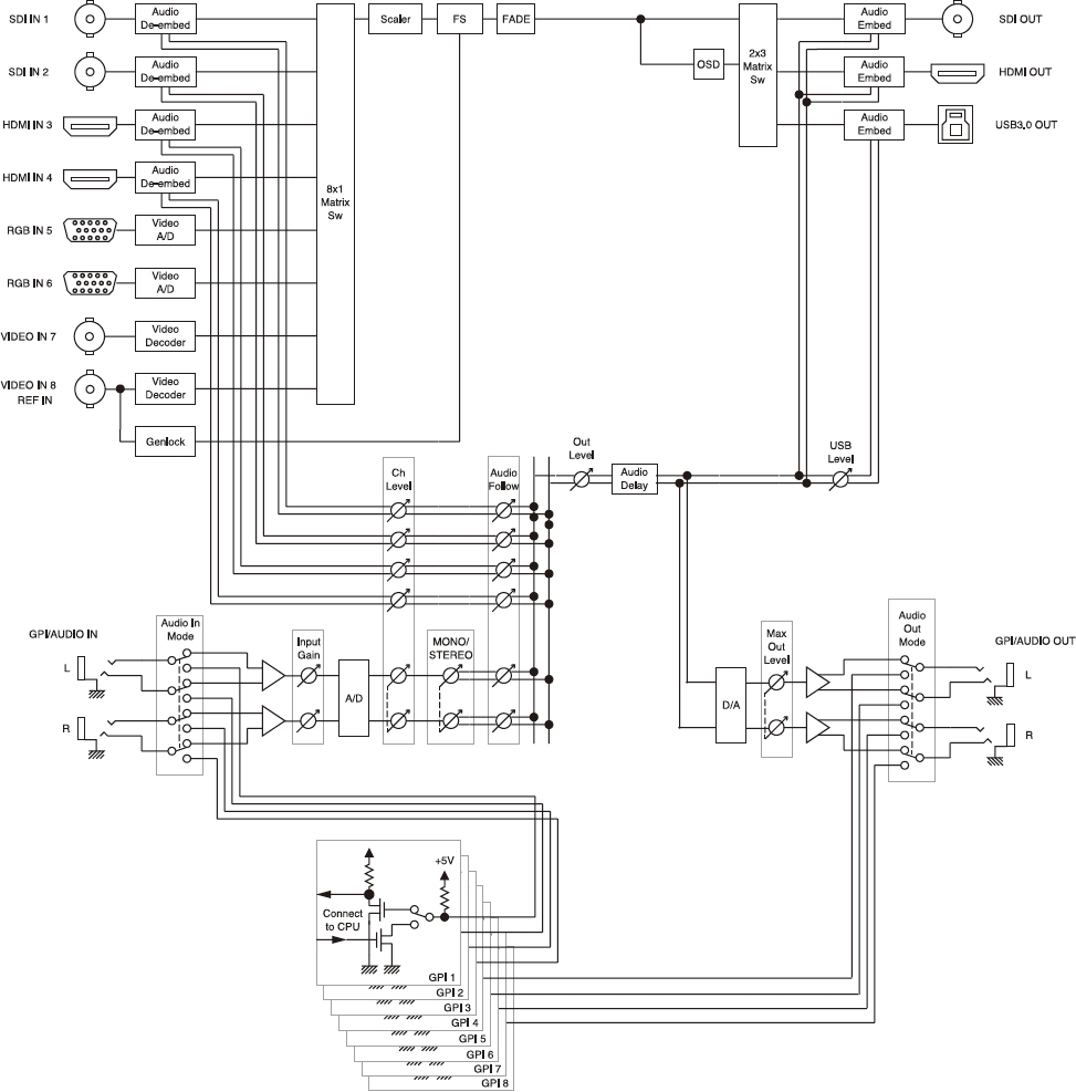
ブロック図

サイズ

外観及びスペックは予告なく変更する場合があります。
Offical SNS
Share